Overview
FKRN12A-12D compressed air load switch, FKRN12A-12D series compressed air load switch-fuse combination electrical appliances, suitable for 12KV and below three-phase power distribution system, as the control and protection of transformers, cables, overhead lines and other power equipment ; Especially suitable for terminal substations and box-type substations of urban and rural power grids. And it is suitable for control and protection of ring network and double radiation power supply unit.
FKN12A-12D series pneumatic load switch can switch load current and overload current.
FKRN12A-12D series compressed air load switch-fuse combination electrical appliances can switch load current, overload current, and break circuit short-circuit current.
Model Meaning

Normal Use Environment
♦Ambient air temperature upper limit: +40°C lower limit -25°C
♦The altitude does not exceed 1000m;
♦The daily average relative humidity is not more than 95%, and the monthly average is not more than 90%.
♦The seismic intensity does not exceed 8 degrees;
♦Places without fire, explosion hazard, chemical corrosion and severe vibration;
♦Contamination level: Ⅱ
Main Feature
◆Load switch, grounding switch, fuse and mechanism are on one frame, which can be flexibly combined, compact in structure, small in size, and easy to install;
◆The fracture is arranged in a direct-acting type, with high dynamic and thermal stable current parameters, and the operation can be completed at one time;
◆It has static contact insulation cover, so that the ring network cabinet is isolated in structure, eliminating the need for interphase insulation partitions and fracture insulation boards, which can prevent arc short-circuit accidents in the cabinet;
◆It has a unique valve structure. After the load switch is opened, the valve automatically isolates the fracture and has good protection performance;
◆There is a reliable mechanical locking device between the load switch, the grounding switch and the fuse, which meets the "five-proof" requirements;
◆There are two forms of manual operation and electric operation of AC and DC dual-purpose operation power supply, which is convenient to realize the power system: "three remote" requirements.
Technical Parameters
Table1

Table2

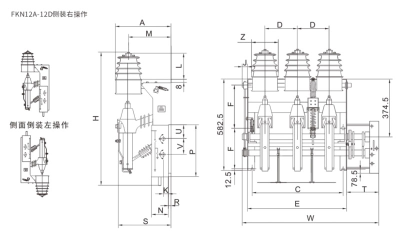
Installation Dimensions

> What are the four types of timer switches?
A time switch, often simply referred to as a timer, is a device that automatically controls when an electrical circuit is turned on or off. It's like a programmable ...
> Can You Replace a 10 Amp Breaker with a 20 Amp Breaker?
Replacing a 10-amp circuit breaker with a 20-amp one without a thorough professional evaluation is extremely dangerous and poses a significant fire hazard. Let's ana...
> What Makes a Circuit Breaker Essential for Home Electrical Safety?
Home electrical safety ranks high on every homeowner’s priority list, yet many overlook the quiet workhorse that prevents crises before they start. This device acts ...
> What Scenarios Require the Use of a Residual Current Circuit Breaker?
Electrical safety is a top priority in daily life and work, yet many people are unsure when to use a device that guards against electric shock. This article explains...




