| Categories | Voltage Control Relay |
| Rated supply voltage range | P-P: AC 3x208- -3x440V; P-N: AC 3ẞ120- -3x254V |
| Rated supply working voltage range | P-P: AC 166V- -528V; P-N: AC 96V- 329V . |
| Rated supply frequency | 50/60Hz |
| Measuring range | AC 166V -528V ; AC 96V- 329V |
| Measurement frequency range | 45Hz~65Hz |
| voltage threshold range | 2%~ 20% |
| Phase failure and phase sequence | <0.5s |
| Action delay range | 0.1s~10s |
| Reset delay range | 0.1s~10s |
| Rated insulation voltage | 440V |
| Voltage measurement | ≤0.1% |
Function
Applications
Used in air conditioning units, elevator machine room, pumps, fans and other motor control applications, as protection of over-voltage, under voltage, phase failure, phase sequence and phase unbalance. When the power supply is abnormal, turn off power supply to protect the equipment.
Features
Built-in microprocessors, true RMS voltage measurement, voltage measurement accuracy 5 1%. Measuring frequency 45Hz~65Hz, button setting, LCD display voltage and fault information, protection can be turned on or off. Check phase voltage value by button, with N-phase phase failureprotection. DIN rail mounting.
| Rated supply voltage | AC 3×220V→3×460V | ||
| Operating voltage range | AC 187V~529V | ||
| Rated supply frequency | 50/60Hz | ||
| Voltage range | 220-230-240-380-400-415-440-460 (M) | ||
| Measuring range | AC 176V→552V | ||
| Measurement frequency range | 45Hz~65Hz | ||
| Phase filure and phase sequence action time | < 0.5s | ||
| Action delay | 0.1s~10s | ||
| Fixed hysteresis rate | 2% of rated operating voltage | ||
| Voltage measurement error | ≤1% (Entire setting range ) | ||
| Delay error | ±10%+0.1s | ||
| Knob setting accuracy | 1% scale value | ||
| Rated insulation voltage | 460V | ||
| Contact configuration capacity(A) | 8A | ||
| IP Class | IP 20 | ||
| Class of pllution | Ⅲ | ||
| Electrical Life | 105 | ||
| Mechanical life | 106 | ||
| Altitude | ≤2000m | ||
| Allowable relative humidity | ≤50% ( 40°C ) (No condensation ) | ||
| Use category | AC-15 | ||
| DIN rail Standard | Ue/Ie : 250V/1.5A | ||
| Contact capacity | 1 C/O | ||
| DIN rail Standard | width 35mm (IEC/EN60715) | ||
Function Diagram

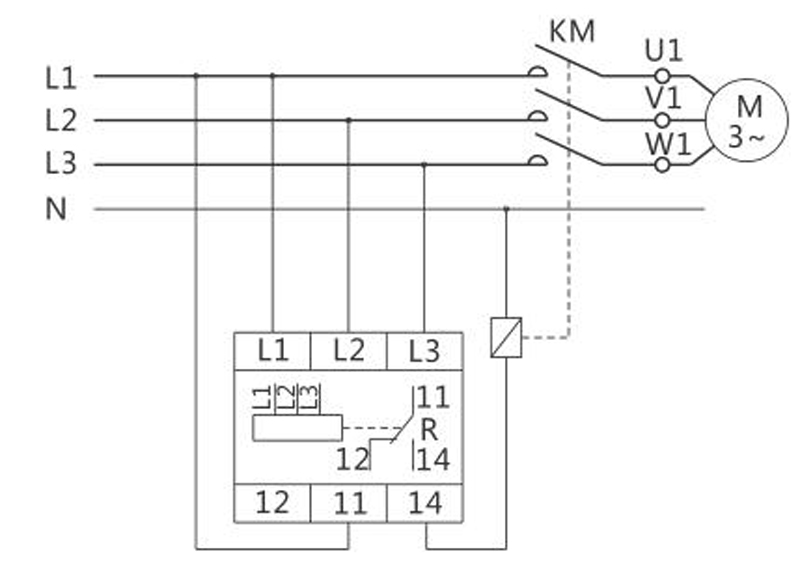
Wiring Diagram

Dimensions

> What are the four types of timer switches?
A time switch, often simply referred to as a timer, is a device that automatically controls when an electrical circuit is turned on or off. It's like a programmable ...
> Can You Replace a 10 Amp Breaker with a 20 Amp Breaker?
Replacing a 10-amp circuit breaker with a 20-amp one without a thorough professional evaluation is extremely dangerous and poses a significant fire hazard. Let's ana...
> What Makes a Circuit Breaker Essential for Home Electrical Safety?
Home electrical safety ranks high on every homeowner’s priority list, yet many overlook the quiet workhorse that prevents crises before they start. This device acts ...
> What Scenarios Require the Use of a Residual Current Circuit Breaker?
Electrical safety is a top priority in daily life and work, yet many people are unsure when to use a device that guards against electric shock. This article explains...







